Menü

Kompetenz im Brandschutz

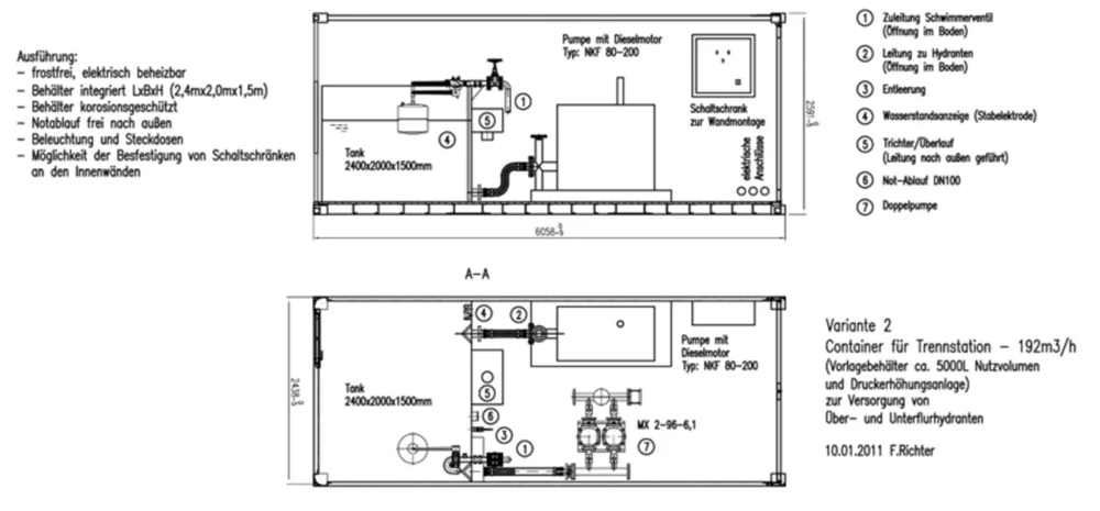
Feuerlöschcontainer maximat MX 5000

Der Feuerlösch­container mit inte­grier­tem Vor­lage­behälter und Druck­erhö­hungs­anlage ist sowohl im Bereich der Neu­instal­lation als auch zur System­trennung von beste­henden Lösch­wasser­anlagen Über-/Unter­flur­hydran­ten gemäß DIN 14462 und DIN 1988-600 ein­setz­bar.

Durch den isolierten und beheiz­baren Container ist die Auf­stellung auch in frost­ge­fähr­deten Bereichen möglich

Systembild Hochdruck-Wandhydrantensystem maximat HD-WHD

Feuerlöschcontainer maximat MX 5000

Produkt

Feuerlöschcontainer mit inte­griertem Vorlage­behälter sowie der Möglich­keit, ver­schie­denste Druck­erhö­hungs­anlagen je nach Anfor­de­rungen (elektrisch, diesel­elektrisch oder diesel­getrieben) ein­zu­setzen. Beim Ein­satz dieses Lösch­wasser­systems ist die Lösch­wasser­leitung zu den Über- und Unter­flur­hydranten „nass“ (mit Lösch­wasser gefüllt) indirekt über einen in den Container inte­grier­ten Vorlage­behälter mit freiem Auslauf an das Trink­wasser­netz ange­schlossen.

Im Ernst­fall wird bei Betätigung des Über-/Unter­flur­hydranten (Lösch­wasser­anfor­de­rung) die Druck­erhö­hungs­anlage gestartet und die Über-/Unter­flur­hydranten mit der erforder­lichen Wasser­menge bei konti­nuier­lichem Druck versorgt.

Das DVGW-zertifizierte Schwimmer­ventil garantiert im Lösch­fall große Aus­fluss­raten bei geringem Druck­verlust sowie geringen Druck­schwan­kungen und stellt somit die mittel­bare Verbindung vom Trink­wasser­netz zur Feuer­lösch­anlage her. Nach Beendi­gung der Lösch­wasser­anfor­derung (Schließung des Schlauch­anschluss­ventils) stellt sich die Druck­erhö­hungs­anlage auto­matisch in den Bereit­schafts­zustand zurück.


Einsatz

  • Der Feuerlöschcontainer mit integriertem Vorlagebehälter und Druckerhöhungsanlage (Auswahl je nach Anforderung) ist sowohl im Bereich der Neuinstallation als auch zur Systemtrennung von bestehenden Löschwasseranlagen Über-/Unterflurhydranten gemäß DIN 14462 und DIN 1988-600 einsetzbar.
  • Typische Einsatzgebiete sind:
    • Industriegebäude
    • Krankenhäuser
    • Wohnkomplexe
    • Einkaufszentrum
    • Schulen
  • Durch den isolierten und beheizbaren Container ist die Aufstellung auch in frostgefährdeten Bereichen möglich.
  • Die Auslegung erfolgt jeweils objektbezogen unter Berücksichtigung der Rohrnetzisometrie, dem daraus resultierenden rechnerischen Nachweis und allen weiteren technischen Anforderungen.

Ihre Vorteile

  • Langlebigkeit aufgrund hochwertiger Materialien (Container und technische Komponenten).
  • Die modulare Aufbauweise des Feuerlöschcontainers kann objektbezogen alle erdenklich technischen Varianten ermöglichen und eine hohe Flexibilität in der Installationsphase bei minimalem Raumbedarf darbieten.
  • Sehr schnelle Installation, da alle Komponenten im Feuerlöschcontainer fertig installiert sind.
  • Es besteht die Möglichkeit, Druckerhöhungsanlagen je nach Anforderungen (elektrisch, dieselelektrisch oder dieselgetrieben) einzusetzen.
  • Brandschutztechnische Eignung durch VdS-anerkannte und trinkwassertechnische Eignung durch DVGW-zertifizierte Komponenten:
    • freier Auslauf (komplette Stahlbehältereinheit maximat)
    • Schwimmerventil
    • Spüleinrichtung
  • Einfachere Sachverständigenabnahme, da VdS-anerkannt und DVGW-zertifiziert
  • Feuerlöschcontainer maximat MX 5000 (pdf)

Business Unit Löschwassertechnik

Kompetente Sachkundige stehen Ihnen zu allen Fragen aus dem Bereich der Löschwassertechnik zur Verfügung.

Business Unit Löschwassertechnik
Wilhelm-Bergner-Str. 15
21509 Glinde

Telefon: (0 40) 25 19 66-88
Telefax: (0 40) 25 19 66-19

loeschwassertechnik@minimax.de

Fenster schließen

Kontakt